常用接近开关接线方式知识分享
2022-05-07 09:06:42
乐鱼(中国)电气
常用WFG-JK系列接近开关接线方式知识分享


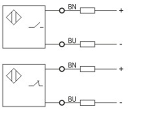
常用WFG-JK系列接近开关现场应用时,两线制及三线制较为常见
接线注意事项:
1、WFG-JK系列接近开关供电电压一般为10-30VDC,接线前进行确认。
2、三线制WFG-JK系列接近开关改为两线制,确认好零线并停用。
3、两线制改三线制,先测试将信号线与零线并接到信号线路,观察能否使用,若不能使用需增加与24V+是同一个电源的24V-才能使WFG-JK系列接近开关正常工作。
4、现场PLC接线为“共源型”,接线时注意24V+始终有电,防止接地短路。
5、频繁动作的WFG-JK系列接近开关(每分钟三次以上)寿命约18个月,高温区域12个月。
6、WFG-JK系列接近开关与挡铁距离,按说明书上的进行调整:
额定检测距离5mm:调整到与挡铁2-3mm
额定检测距离10mm:调整到与挡铁3-6mm
额定检测距离15mm:调整到与挡铁5-8mm
调整原则:额定检测距离减半:防止挡铁抖动。
TAG:
WFG-JK系列接近开关