键相测量,即通过在被测轴上设置一个凹槽或凸键,称键相标记。当这个凹槽或凸键转到探头位置时,相当于探头与被测面间距宊变,传感器会产生一个脉冲信号,轴每转一圈,就会产生一个脉冲信号,产生的时刻表明了轴在每转周期中的位置。
2025-07-04 乐鱼(中国)
轴振动、轴位移、转速传感器的工作原理基本相同,传感器探头均属电涡流式探头,电涡流式探头由平绕在支架上的铂金属线圈组成,外壳为不锈钢套,套管内填充绝缘材料密封,引线从壳体内引出接同轴电缆。
2025-01-13 乐鱼(中国)
汽轮机胀差、轴位如何定零位?
2023-05-22 乐鱼(中国)
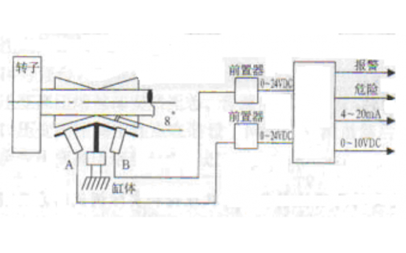
提升机盘式制动器闸间隙的监测方法分析
2023-03-17 乐鱼(中国)
电涡流传感器简介
2022-12-13 乐鱼(中国)
机械工程师应懂的仪控知识
2022-04-08 乐鱼(中国)