新闻动态

  • 磁力泵严禁空转的核心原因

    滑动轴承烧毁:失去介质润滑的“致命损伤” 磁力泵的滑动轴承多采用石墨、碳化硅等耐磨材料,必须依赖输送介质实现润滑和冷却——介质在轴承间隙形成油膜,既减少摩擦磨损,又带走运转产生的热量。空转时无介质润滑,轴承与轴套直接干磨,短时间内温度骤升至数百摄氏度,导致轴承烧结、轴套卡死,最终造成转子无法转动的机械故障。

    2025-11-28 乐鱼(中国)

  • 凝汽器灌水查漏操作要点有哪些?

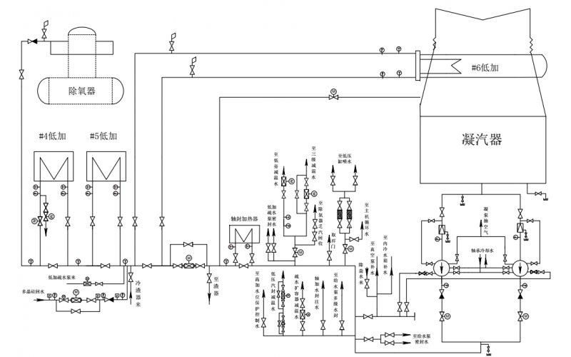
    凝汽器灌水查漏操作要点有哪些? 1.机组停运,高压缸调节级温度低于100℃。 2.凝汽器底部加装临时支撑和临时水位计,水位计上口不允许封口。 3.开启机组各段抽汽疏水门。 4.关闭主再热蒸汽冷段热段、高旁前后,导汽管、调节级、汽缸夹层疏水电动门,和低旁减温水电动门。 5.关闭A、B凝结水泵进口手动门,抽空气手动门,关闭凝结水再循环调整门。 6.关闭A、B真空泵入口手动门,气动门。

    2024-08-16 乐鱼(中国)

  • 凝结水泵切换操作票

    1.接值长令:A凝结水泵切换至B凝结水泵; 2.检查B凝结水泵具备启动条件,密封水、轴承冷却水进出水门全开,凝结水泵抽空气门开启3圈; 3 查询B凝结水泵上一周期运行情况:运行电流 电机轴承温度 4.关闭B凝结水泵出口电动门,退出B凝结水泵联锁;

    2024-08-16 乐鱼(中国)

  • 凝结水泵机封损坏导致机组MFT,事故处理不果断?

    凝结水泵机封损坏导致机组MFT,事故处理不果断?

    2023-10-24 乐鱼(中国)

  • 机械密封的泄露问题与维修对策

    机械密封的泄露问题与维修对策

    2023-09-21 乐鱼(中国)

  • 压缩机、泵负荷试车方案

    压缩机、泵负荷试车方案

    2023-08-03 乐鱼(中国)

  • 压缩机等动设备检修知识大全分享

    压缩机等动设备检修知识大全分享

    2023-07-13 KWZK

  • 机械密封的密封圈越紧越好么?

    机械密封的密封圈越紧越好么?

    2023-05-05 乐鱼(中国)

上一页12下一页 转至第
首页
产品
新闻
联系