新闻动态

  • 硫酸介质调节阀腐蚀难题,波纹管密封轻松解决

    一台用于调节65%浓度硫酸的调节阀出现阀杆腐蚀严重的问题,同时伴随内外漏现象。按照工业设备选型常识,316L不锈钢材质对硫酸介质具有良好的耐腐蚀性,本应能满足使用要求,但这台阀门却在短时间内出现了明显的腐蚀失效。

    2025-11-18 乐鱼(中国)

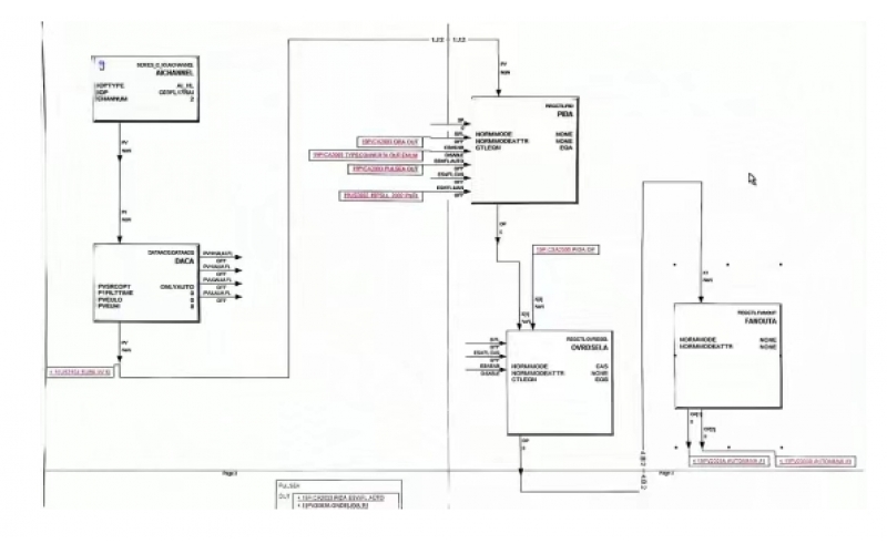
  • DCSAI卡件故障的运维实践与系统基础解析

    二车间反应釜单元(编号 R-601)关联的 3 路关键模拟量信号(温度 TI-601、压力 PI-602、液位 LI-603)突发断线故障,DCS 操作站(和利时 M6.5.3B 系统)显示信号丢失,数据字段呈 “无效” 状态,但生产工艺现场无异常停机。运维团队按 “先现场后中控” 的工业运维原则开展排查:

    2025-11-12 乐鱼(中国)

  • 气动调节阀开不到位故障处理案例

    气动调节阀阀门能关到位,但开不到位 接到工艺电话通知时就要考虑到该调节阀所调节的工艺介质是重组分,主要作用是控制T-6004A罐液位来保证装车正常,该阀出现故障要及时处理好,避免影响装车。

    2025-09-01 乐鱼(中国)

  • 调节阀控制回路组态

    实操任务:公司气化炉CO2缓冲罐出口压力调节阀控制回路组态

    2025-07-21 乐鱼(中国)

  • PID与PFD区别

    PFD可以让工作人员对整个过程有一个整体的了解。这些流程图可能并不总是显示整个工厂的工作情况。典型的PFD将包含温度、压力和质量流量等运行数据。泄压阀和安全阀通常不包括在PFD中,但是控制阀等关键部件在 PFD职中,这些图表在尺寸上可能与实际工厂不同步。

    2025-05-26 乐鱼(中国)

  • 阀门定位器“喘振”原因分析

    阀门定位器喘振在工业生产中是一种常见的故障现象。阀门定位器发生喘振的原因可以从以下几个方面进行分析和定位:

    2025-05-15 乐鱼(中国)

  • 阀门定位器喷嘴挡板和压电阀的区别

    在工业流程自动化过程中,调节阀是重要的终端控制元件之一。阀门定位器作为气动调节阀关键附件,在提高系统控制品质等方面发挥重要作用。智能电气阀门定位器根据 I/P 转换器的型式主要分为:喷嘴挡板式和压电阀式。

    2025-05-12 乐鱼(中国)

  • 同一SIL等级下不同配置的压力变送器,安全性差异及工程实例

    安全完整性等级(Safety Integrity Level,SIL)是国际标准 IEC61508中定义的一种离散性的等级(见下图),它用来衡量安全控制系统(紧急停车系统、安全联锁系统)成功执行规定的安全功能的概率。概率越高,则安全完整性等级越高。

    2025-04-28 乐鱼(中国)

上一页12345下一页 转至第
首页
产品
新闻
联系