新闻动态
KWZK乐鱼官方网站
网站首页
乐鱼(中国)
公司简介
在线反馈
联系我们
产品展示
全部
传感器/变送器
流量计系列
液位/料位系列
阀门/执行装置
液压/气动元件
检维修工器具
化验/分析仪器
其他机电仪产品
新闻动态
全部
行业知识
企业新闻
资料下载
客户案例
新闻动态
推荐
热门
最新
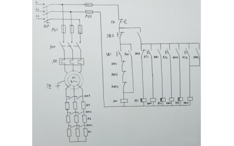
绕线转子异步电动机转子串电阻启动电路解析
绕线转子异步电动机转子串电阻启动电路解析
2022-11-17
乐鱼(中国)
上一页
1
下一页
转至第
首页
产品
新闻
联系
米兰app体育直播在线观看_米兰(中国)
|
米兰网web站
|
华体会体育
|
开云登陆入口
|
开云手机在线登陆入口
|
开云手机平台_开云(中国)
|
J9体育(China)有限责任公司官网
|
开云在线注册
|
开云电子·(中国)官方网站
|