JKN-200系列浮筒液位计指示不准的故障分享-重庆乐鱼(中国)
2022-09-19 重庆乐鱼(中国)
110kV避雷器发热故障分析-重庆乐鱼(中国)
2022-09-14 乐鱼(中国)
气相色谱分析仪指示为零故障案例分享-重庆乐鱼(中国)
2022-09-13 乐鱼(中国)
重庆乐鱼(中国)-极度危险油浸式变压器爆燃
2022-09-09 乐鱼(中国)
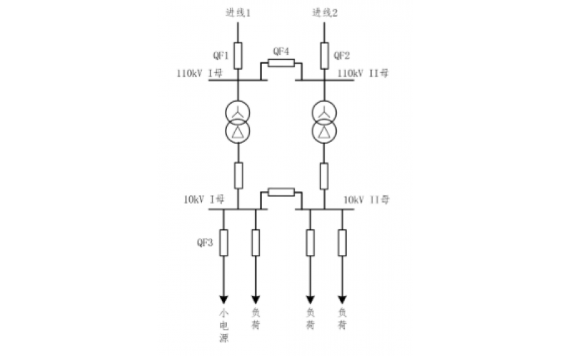
重庆乐鱼(中国)-小电源接入对备自投的影响
2022-09-06 乐鱼(中国)
甲侧一次风机轴承温度高跳闸,机组停运-重庆乐鱼(中国)
2022-09-02 乐鱼(中国)